La realizzazione di un oggetto fai da te è sempre oggetto di grande soddisfazione e orgoglio. Se degli ospiti vengono a casa tua, non ti tirerai di certo indietro quando questi esprimeranno apprezzamento su un mobile da te creato.
Perché non osare allora? Creando, ad esempio, una cucina fai da te. Sì, è un lavoro che richiede molto tempo, ma sarai ancora più orgoglioso quando ad essere ammirata sarà questa tua grande creazione.
Allora, rimbocchiamoci le maniche e vediamo cosa ci serve.
(tutti i disegni tecnici sono in fondo all’articolo)
Lista degli attrezzi e dei materiali necessari
Gli attrezzi
- Trapano elettrico (le nostre migliori scelte AEG e Milwaukee)
- Fresa per legno verticale
- Tasselli di legno
- Guide per cassetti
- Viti di giunzione
- Viti di fissaggio
- 8 Cerniere in acciaio
- Colla vinilica
- 2 morsetti da 250 mm
- 8 Maniglie
- Primer
- Vernice poliuretanica bicomponente
- Fissativo
- Carta abrasiva a grana finissima
- Martello
- Pennelli di varie dimensioni
- Feltrini per far sì che il legno non strisci sul pavimento, rovinandolo
- Metro e matita
- Copriviti in plastica dello stesso colore con cui si decide di verniciare i mobili
- Sega circolare (anche nella variante con banco)
Pannelli per la parte frontale
- 1 pannello in legno nobilitato 45x84cm (i pannelli saranno tutti in legno nobilitato, poiché molto resistente e quindi perfetto per una cucina)
- 1 pannello 65x84cm
- 3 pannelli 50x84cm
Pannelli per la parte posteriore
- 1 pannello 41,4×84 cm
- 1 pannello 36,4×84 cm
- 1 pannello 61,4×84 cm
- 1 pannello 46,4×84 cm
- 1 pannello 96,4×84 cm
Pannelli per la base
- 1 pannello 41,4×56,4 cm
- 1 pannello 36,4×56,4 cm
- 1 pannello 61,4×56,4 cm
- 1 pannello 46,4×56,4 cm
- 1 pannello 96,4×56,4 cm
Pannelli per la parte superiore
- Top in legno laminato 85x60cm (il legno laminato è resistente ai graffi, quindi perfetto per tavoli da lavoro)
- Top 115x60cm
- Top 100x60cm
Pannelli per la parte laterale
- 10 pannelli 58,2x87cm
Pannelli per i cassetti
- 8 pannelli 35,4×17 cm;
- 4 pannelli 31,4×15,2 cm;
- 4 pannelli 40x21cm;
- 4 pannelli 33,6×31,4 cm;
- 2 pannelli 60×87 cm;
- 1 pannello 36,4×84 cm;
- 1 pannello 36,4×56,4 cm.
Realizzazione della cucina in legno fai da te
Lavorazione dei pannelli frontali
Prima di tutto, ti consiglio di pensare alla lavorazione di tutti i pezzi della tua futura cucina, in modo che questi siano già pronti per il montaggio.
I pannelli anteriori, quelli corrispondenti alle ante, necessiteranno solamente dei fori per le viti che tengono salde le maniglie e i fori per installare le cerniere che ne permetteranno l’apertura. Per la lavorazione dei pannelli del cassetto ti rimando al paragrafo Costruire i cassetti e il loro alloggiamento.
Disponi dunque i pannelli su un piano, bloccandoli con i morsetti, e poi prendi l’elettrofresatrice per realizzare i fori delle cerniere. Le misure variano in base alla scelta della cerniera, ma se scegli di utilizzare una cerniera a scomparsa come quella mostrata qui sotto, dovrai eseguire due fori sullo spessore verticale del pannello, al cui interno andrà installata una parte della cerniera. Ricorda sempre di prendere le misure adeguate, in modo da non provocare problemi di costruzione.
Per i fori delle viti delle maniglie, anche in questo caso varieranno da maniglia a maniglia, ma in linea di massima puoi lasciare uno spazio di 3 cm dal bordo superiore e 2 cm dal bordo laterale. Qui puoi eseguire i fori con il trapano elettrico.
Esegui queste azioni anche sui restanti tre pannelli.
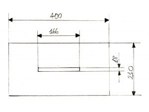
Dovrai agire diversamente sul pannello che andrà posto sotto nella postazione dei fornelli. Questa sezione sarà l’alloggiamento del forno, dunque è necessario eseguire un foro che ne permetta l’installazione. Prendi quindi la fresatrice ed esegui un foro 60×60 cm (ho preso in considerazione un forno di queste dimensioni) lasciando un margine superiore di 10 cm e inferiore di 14 cm. Per quanto riguarda i margini laterali, lascia 2,5 cm per lato.
Lavorazione dei pannelli laterali
Per quanto riguarda i pannelli laterali, ovvero quelli che fungeranno da supporto per il top della cucina, dovrai soltanto eseguire solo i fori di alloggiamento per le viti di giunzione e quelli per le cerniere – che se saranno a scomparsa dovranno essere eseguiti sullo spessore del pannello, proprio come per l’anta. Queste operazioni non vanno però eseguite su tutti i pannelli.
- Partendo da sinistra, il primo pannello avrà bisogno soltanto dei fori per le cerniere;
- Il secondo pannello dovrà avere i fori per le viti e quelli per le cerniere;
- Il terzo e il quarto pannello, che saranno utilizzati per creare il mobiletto dei cassetti, necessiteranno i fori delle viti di giunzione e di quelli per i binari dei cassetti, che varieranno in base al binario scelto;
- Sui panelli corrispondenti ai lati dei fornelli e del forno dovrai eseguire dei fori per le viti di giunzione. Fai attenzione per le viti di giunzione nella parte inferiore, perché dovranno essercene due per lato, in modo da tenere la parte inferiore della cornice;
- Per quanto riguarda le pareti del lavello, sul lato sinistro dovrai creare i fori per le viti di giunzione e quelli per le cerniere, mentre sul lato destro dovrai soltanto occuparti dei fori per le cerniere.
Ricorda che i fori per le viti di giunzione dovranno essere passanti e varieranno in base alla misura della vite scelta. I fori delle cerniere, invece, sono dei fori ciechi, e avranno profondità differenti in base alla cerniera che hai deciso di montare.
Lavorazione dei pannelli posteriori
I pannelli posteriori non necessitano di moltissime lavorazioni, eccetto il pannello del lavello e quello del forno. Per quanto riguarda il pannello relativo al lavello, sarà necessario realizzare i fori per far sì che i tubi di collegamento al sistema idrico riescano a passare e ad essere collegati al lavello. Per il pannello del forno, invece, sarà necessario eseguire un foro in corrispondenza della placca presente sul muro per poter collegare il forno alla corrente. Sarà dunque necessario prendere le giuste misure; solitamente, una placca a 3 moduli ha dimensioni di 150×95 cm ma questa varia in base al modello e alla marca scelta. Il consiglio è comunque di optare per un foro leggermente più grande della placca, in modo da non dover necessariamente incastrare la placca al foro.
Su tutti i pannelli è necessario eseguire dei fori per unire questi ai pannelli laterali con delle normali viti.
Lavorazione dei pannelli dei cassetti
I cassetti hanno bisogno di un procedimento leggermente diverso, in quanto dovranno essere eseguiti su di essi dei fori per l’alloggiamento dei tasselli e delle viti di giunzione e altri per unire i binari con le viti.
Queste due operazioni devono essere eseguite sui tutti i pannelli laterali di dimensioni 35,4×17 cm.
Lavorazione del top
Infine, bisognerà occuparsi del top che verrà posto sui mobili una volta che questi saranno uniti e completati. Il progetto ti mostra tre sezioni del top, diviso in questo modo per comodità, ma puoi anche decidere di installare un top della lunghezza corrispondente a tutti i mobili uniti.
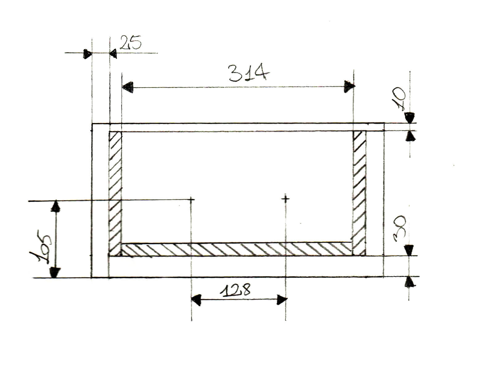
Il consiglio è quello di dividerlo soprattutto per i fori che sarà necessario eseguire in corrispondenza dei fornelli e del lavello; dunque, prendi il top (facendoti aiutare, nessuno vuole che tu ti faccia male) e disponilo su un piano adeguato, fissandolo poi con i morsetti. Esegui il primo taglio in modo da creare un pezzo che abbia dimensioni 90×60 cm. Il secondo pezzo, di dimensioni 110×60 cm ospiterà il foro su cui sarà collocato il piano cottura. Per eseguire tale foro in corrispondenza del forno, lascia un margine a sinistra di 8,5 cm e margini superiore e inferiore di 2 cm: esegui quindi un foro 48×60 cm (anche questo dato può variare in base al modello scelto). Passa poi all’ultimo pezzo del top, che ospiterà il lavello. Esegui un foro di dimensioni 94×56 cm con margini laterali di 3 cm e margini superiore e inferiore di 2 cm.
Non è necessario eseguire altri fori sulle parti del top, in quanto basterà solamente appoggiarle sui mobili sottostanti.
Verniciatura dei pannelli
Prima di procedere alla costruzione dei mobili, se hai deciso di verniciare di un determinato colore la cucina, dovrai munirti di:
- Primer
- Carta abrasiva a grana finissima (puoi in alternativa ricorrere a una levigatrice)
- Carta abrasiva a grana grossa
- Vernice poliuretanica bicomponente del colore scelto
- Fissativo
- Pennelli
- Carta di giornale per protezione
Per un lavoro con i fiocchi, ti consiglio di verniciare ogni parte dei pannelli; so che sarà una fase molto lunga, ma il risultato ti soddisferà.
Le operazioni che andrò a elencarti valgono per tutti i pannelli di legno necessari per la realizzazione del mobile.
- Disponi la carta di giornale (o qualsiasi tipo di protezione tu abbia scelto) sul piano di lavoro e inizia passando la carta abrasiva a grana grossa. Questo passaggio serve a rimuovere eventuali schegge di legno e a preparare la superficie per la prima fase della verniciatura;
- Passa il primer con il pennello e aspetta che si asciughi;
- Dai una mano di vernice poliuretanica bicomponente. Dovrai utilizzare questa vernice poiché più adatta per il legno nobilitato;
- Se necessario, dai una seconda mano di vernice dopo che la prima si sarà ben asciugata;
- Non appena il pannello sarà asciutto, passa la carta abrasiva a grana fine, in questo modo il fissativo si adatterà di più sulla vernice e il risultato sarà migliore;
- Passa il fissativo e aspetta che si asciughi.
Unire i pannelli per creare i mobiletti della cucina
La fase successiva è quella di mettere insieme i pannelli per creare i mobiletti che costituiranno la cucina. Inizia con il mobiletto da sinistra per il quale saranno necessari 5 pannelli:
- il primo, corrispondente all’anta – ovvero quello in cui hai eseguito i fori per la maniglia e per le cerniere – 45×84 cm;
- il secondo pannello sarà di dimensioni 41,4×56,4 cm;
- Il pannello posteriore di dimensioni 41,4×84 cm;
- Infine, gli ultimi due pannelli – quelli laterali di dimensioni 58,2×87 cm – dovranno essere entrambi con i fori per le viti di giunzione, ma su uno dei due saranno presenti anche i fori per le cerniere dell’anta.
Una volta che avrai a portata di mano i pannelli che ti ho appena elencato, puoi procedere alla costruzione del primo mobiletto.
- Poggia in posizione orizzontale su un piano – o per terra, in base alla tua comodità – il pannello laterale su cui hai eseguito, oltre ai fori di giuntura, i fori per le cerniere. Assicurati che i fori delle cerniere non siano verso di te ma dall’altra parte;
- Disponi il pannello posteriore sul bordo dell’altro pannello su cui sono presenti soltanto i fori di giunzione e sovrapponi i fori realizzati con il trapano, in modo che le viti uniscano i due pezzi. Prendi dunque le viti e il trapano elettrico e avvita i due pezzi tra loro;
- Prendi adesso il pannello 41,4×56,4 cm con solo le viti di giunzione; questa sarà la base del mobiletto. Montala quindi in corrispondenza dei fori presenti sul pannello laterale e su quelli del pannello posteriore in modo che il pannello della base risulti perpendicolare a entrambi;
- Poggiando adesso il pannello che corrisponde alla parete di fondo del mobiletto, prendi l’altro pannello 58,2×87 cm e montalo come hai fatto nel secondo passaggio. In questo modo, lo scheletro del mobiletto sarà completo e avrà bisogno solamente dell’installazione dell’anta;
- Prendi dunque l’ultimo pannello e fai in modo che i fori per le cerniere vengano posti dalla parte del pannello laterale su cui sono presenti gli stessi fori. Prendi perciò le cerniere e montale con un cacciavite o, per una maggiore efficienza, con il trapano. Regola bene l’apertura e, una volta terminato, il primo mobiletto sarà stato completato.
Per quanto riguarda il mobiletto presente tra il vano del forno e quello del lavello, segui gli stessi passaggi, utilizzando 5 pannelli:
- 1 pannello 50×84 cm per l’anta;
- 1 pannello 46,4×84 cm per la parete posteriore;
- 1 pannello 46,4×56,4 cm per la base;
- 2 pannelli da 58,2×87 cm che corrisponderanno ai pannelli laterali.
Tieni ovviamente conto delle misure: nel primo passaggio, avrai bisogno del pannello 58,2×87 cm con solo i fori di giunzione, il secondo passaggio prevede un pannello 46,4×84 cm con i fori di giunzione, il terzo necessiterà del pannello 46,4×58,2 cm, per il quarto passaggio utilizza il secondo pannello laterale e, infine, utilizza l’ultimo pannello per realizzare l’anta.
Mobiletto del forno
Per il mobiletto che ospiterà il forno, dovrai utilizzare 5 pannelli delle seguenti dimensioni:
- Un pannello 61,4×82,2cm, che sarà la parte posteriore del mobile su cui avrai realizzato il foro per la placca della corrente – fondamentale perché tu possa poi usufruire del forno;
- Un pannello 61,4×56,4 cm per la base;
- Un pannello 65×84 cm con il foro 60×60 cm che verrà utilizzato per la parte frontale del mobile;
- Due pannelli 58,2×87 cm per i lati.
- Inizia poggiando quella che sarà la parete posteriore al piano di lavoro;
- Disponi poi uno dei lati accanto al bordo del pannello posteriore e fissa i due con le viti;
- Prendi la parte frontale del mobiletto e uniscilo al pannello laterale. Prima di unirlo con le viti, passa un filo di colla vinilica in corrispondenza della cornice di 2,5 cm in modo che il pannello si unisca perfettamente a quello laterale. Unisci poi i pannelli con le viti;
- Adesso prendi la base del mobiletto e inseriscilo all’interno dei piani già montati. Presta attenzione a questo passaggio, perché il piano dovrà essere montato all’altezza dell’inizio del foro del forno, in quanto sarà necessaria per l’alloggiamento di quest’ultimo. Disponilo quindi in corrispondenza della fine della cornice di 14 cm, in modo da non creare sfasature tra un pannello e l’altro;
- Prendi infine l’altro pannello laterale e uniscilo agli altri con le viti.
Mobiletto del lavello
Il mobiletto del lavello è anch’esso molto semplice da realizzare e ti basteranno i pannelli che ti andrò a elencare:
- 1 pannello 96,4×82,2 cm per la parte posteriore del mobile, su cui avrai eseguito i fori necessari per il passaggio dei tubi idrici;
- 2 pannelli laterali 58,2×87 cm;
- 1 pannello 96,4×56,4 cm per la base;
- 2 pannelli da 50×84 cm per le ante del mobiletto.
- Inizia a costruire il mobiletto prendendo la base dello stesso e ponilo sul piano di lavoro. Prendi poi il primo pannello laterale e fissalo a uno dei lati della base con le viti. Il pannello laterale senza fori per le viti di giunzione dovrà essere posto a destra, ovvero nella parte che dà sulla parete della stanza;
- Prendi il pannello che corrisponde alla parte posteriore del mobile e fissalo alla base e alla parete laterale in modo che sia perpendicolari a entrambi i pannelli;
- Passa al montaggio del secondo pannello laterale e fissalo con le viti al mobile precedentemente montato;
- Infine monta le ante del mobiletto avvitando le viti delle cerniere e avrai completato anche il mobiletto riservato al lavello.
Costruire i cassetti e il loro alloggiamento
Per realizzare i cassetti e l’alloggiamento avrai bisogno dei seguenti pannelli:
- 8 pannelli 35,4×17 cm;
- 4 pannelli 31,4×15,2 cm;
- 4 pannelli 40×21 cm;
- 4 pannelli 33,6×31,4 cm;
- 8 binari per i cassetti;
- 2 pannelli 60×87 cm;
- 1 pannello 36,4×84 cm;
- 1 pannello 36,4×56,4 cm.
L’operazione ti verrà descritta qui sotto solo una volta ma vale per tutti i 4 cassetti che comporranno il mobile. Prima di tutto però dovrai realizzare l’alloggiamento di tutti i cassetti.
- Innanzitutto, avvita i binari alle pareti laterali, in modo da non doverti trovare scomodo una volta che il mobile sarà montato. Prendi quindi i binari e montali a coppie su entrambi i lati di quello che sarà il mobiletto. Puoi fare riferimento ai cassetti per poter prendere le misure esatte per i binari, ma in base alle misure dei cassetti, la distanza tra tutti i binari è di circa 20 cm, ricordandoti però che in basso dovrai partire da 3 cm, in modo che il cassetto aderisca perfettamente al perimetro del mobiletto;
- Adesso prendi un pannello laterale e quello che fungerà da parte posteriore del mobile e uniscili tra loro con le viti;
- Monta il pannello corrispondente alla base e uniscilo ai due pannelli che hai precedentemente unito;
- Infine monta il secondo pannello laterale in modo da formare un parallelepipedo;
- Per montare il pannello frontale – quello in cui dovrà essere montata la maniglia – avrai bisogno dei tasselli, della colla vinilica e delle viti di giunzione. Metti un po’ di colla vinilica nei fori adibiti per i tasselli e tieni premuto per qualche secondo. Successivamente, inserisci le viti di giunzione;
- Per ultimo, monta la maniglia eseguendo dei fori come da disegno (le misure sono sempre variabili in base alla maniglia scelta).
Unione dei mobiletti
Adesso è arrivato il momento di unire tutti i mobili realizzati singolarmente.
- Disponi i mobili in ordine come mostrato nel disegno e prepara le viti di giunzione. Consiglio: parti dal mobile del lavello, in modo che questo sia già sistemato nella sua collocazione;
- Procedi affiancando il secondo mobiletto e unisci i due con le viti di giunzione;
- Adesso affianca e unisci il mobile in cui andrà collocato il forno;
- Prendi il mobile dei cassetti (togli i cassetti in modo che la struttura sia più leggera da spostare) e unisci anche questa con le viti di giunzione;
- Infine collega l’ultimo mobiletto;
- Adesso prendi il top 100×60 cm e ponilo in corrispondenza del lavello, facendo sì che il foro si trovi sopra le due ante;
- Colloca accanto a questo il top 110×60 cm e, infine, poggia l’ultimo pezzo accanto. Per i top non è necessario che venga fissato, in quanto la pesantezza ne impedisce il movimento. Inoltre, se decidessi di cambiare disposizione, in questo modo sarà più comodo invertirli;
- Ora inserisci i copriviti in modo che le viti di giunzione e le viti di fissaggio non siano visibili.
Il tuo mobile per la cucina è pronto e ti basterà solo acquistare gli elettrodomestici e il lavello per completarlo!












